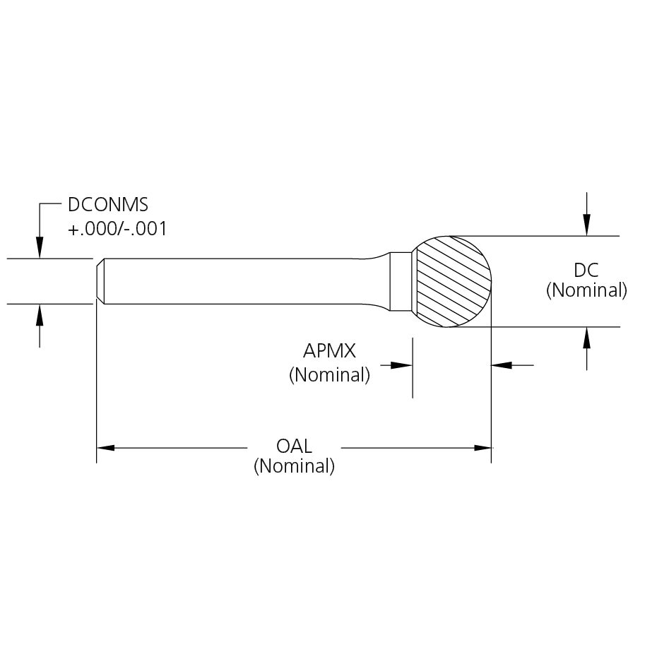
M.A.Ford 43297 Edge Hog Bur Spherical 3/4×11/16×2-11/16 SD-7-D
M.A.Ford 43297 Edge Hog Bur Spherical 3/4×11/16×2-11/16 SD-7-D
$63.54 Original price was: $63.54.$31.28Current price is: $31.28.
43297
Related products
Sale!
Sale!
Sale!
Sale!
Sale!
Sale!
Sale!
Sale!











