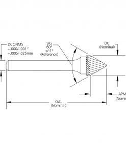
M.A.Ford 69337 Edge Hog Miniature Bur 1/8×3/32×1-1/2 SJ-82 DBL END
M.A.Ford 69337 Edge Hog Miniature Bur 1/8×3/32×1-1/2 SJ-82 DBL END
$22.32 Original price was: $22.32.$10.99Current price is: $10.99.
69337
Related products
Sale!
Sale!
Sale!
Sale!
Sale!
Sale!
Sale!
Sale!











